
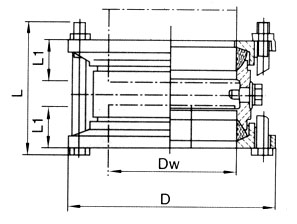
B型伸缩接头(CBN1129--81)
本产品按国标和日本标准生产,用于补偿管路受温度或船体变化造成轴向伸缩和少量弯曲变形,并能减振隔音。
产品工作压力1.0Mpa和16Mpa二种。


标记示例:
公称压力PN为1.6Mpa,公称通径DN为50mm,本体材料为碳的A型螺纹式伸缩接头:A16 50G GB 12465-96
公称压力PN为1.6Mpa,公称通径DN为100mm,本体材料为球墨铸铁的B型普通压盖式伸缩接头:B16 100Q GB/T12465-1996
公称压力PN为1.6Mpa,公称通径DN为100mm,本体材料为钢的B型加长盖式伸缩接头:B16100GL GB/T12465-1996