联系我们
|
微信
微信号:19952998799
扫一扫 联系我们
|
网站地图
(
百度
/
谷歌
)
您好,欢迎进入泰州市星海管业有限公司官网!
0523-88608597
网站首页
关于我们
公司简介
公司文化
加入我们
产品中心
金属膨胀节
非金属膨胀节
旋转/套筒膨胀节…
换热设备
空气管头
XH型系列橡胶接头…
伸缩接头
可移动弹性吊架
金属软管
荣誉资质
资质证书
专利证书
新闻中心
行业动态
公司动态
常见问题
客户案例
服务支持
联系我们
在线留言
产品中心
金属膨胀节
非金属膨胀节
旋转/套筒膨胀节
换热设备
空气管头
XH型系列橡胶接头
伸缩接头
可移动弹性吊架
金属软管
联系我们
联系人:
丁经理
电话:
0523-88608597
地址:
泰州市姜堰区娄庄镇白龙路233号
在线咨询
首页
>
产品中心
>
XH型系列橡胶接头
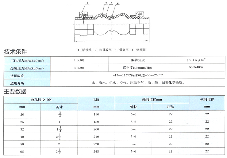
XH型系列橡胶接头
XH-B型丝扣连接橡胶接头
星海管业信守:“质量第一、用户至上”的经营理念,也是“星海”品牌对质量和服务的承诺。公司将努力开发新产品,拓展新领域,竭诚为国内外客户提供高品质、高新技术含量的优质产品。
咨询热线:
0523-88608597
产品介绍
标签:
全部
上一篇:
XH型橡胶挠性弯头
下一篇:
XH-BW·N型风机盘管橡胶接头
0523-88608597
微信号:19952998799
微信二维码